Mazda 3 Headlight Wiring Diagram [diagram] Mazda 6 Headlight Diagram Full Version Hd Quality Headlight
Mazda headlight wiring pjb diagram. Mazda 3 headlight wiring diagram. Toyota wiring diagram ignition pickup diagrams circuit system electronic 5r 1985 electrical r22 4x4 bit engine carbureted which haggard manual
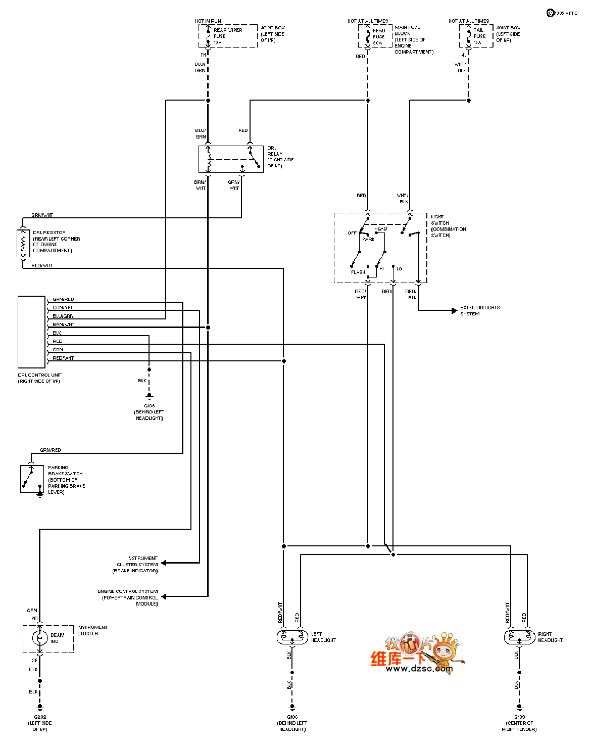
mazda 3 headlight wiring diagram
Download PDF
Wiring diagram gallery: 5 wire ceiling fan capacitor wiring diagram


2003 dodge grand caravan wiring diagram. I have a 2003 mazda protege can not get park lights i have changed. Mazda 3 headlight wiring schematic. 2004 mazda 6 headlight wiring diagram
Wiring Diagram Gallery: 5 Wire Ceiling Fan Capacitor Wiring Diagram
Mazda 3 Headlight Wiring Schematic - Wiring Diagram Example
2004 Mazda 6 Headlight Wiring Diagram - Wiring Diagram
2005 Mazda 3 Headlight Wiring Diagram - 34 Mazda 3 Headlight Assembly
2003 Dodge Grand Caravan Wiring Diagram - Cars Wiring Diagram

Comments
Post a Comment